Diagram Sections: 50DEMTO (1987)
Download as PDF-
Bottom Cowling
-
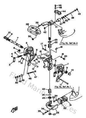
Bracket
-
Bracket 1
-
Bracket 2
-
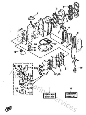
Carburetor
-
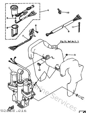
Control
-
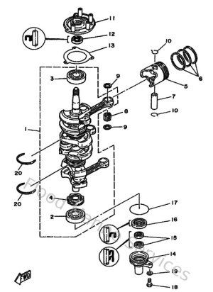
Crankshaft & Piston
-
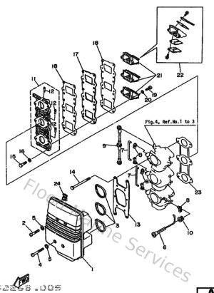
Cylinder & Crankcase
-
Electric Motor
-
Electric Parts 2
-
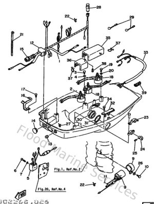
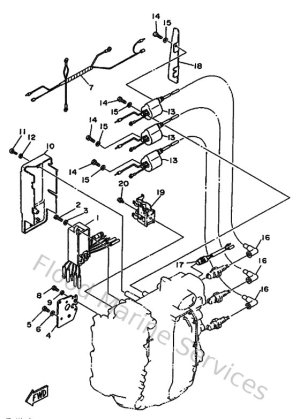
Electrical 1
-
Fuel 1
-
Fuel 2
-
Intake
-
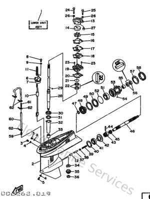
Lower Casing & Drive 1
-
Lower Casing & Drive 2
-
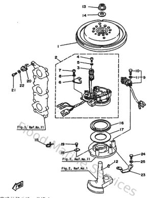
Magneto
-
Oil Pump
-
Optional Parts 1
-
Optional Parts 2
-
Optional Parts 3
-
Optional Parts 4
-
Power Trim & Tilt Assy
-
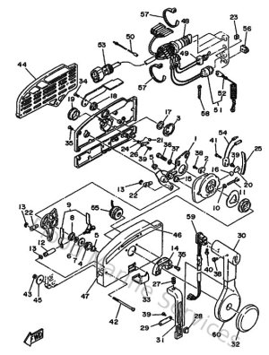
Remote Control
-
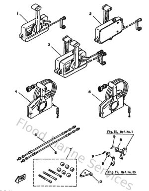
Remote Control Assy 1
-
Remote Control Assy 2
-
Repair Kit 1
-
Repair Kit 2
-
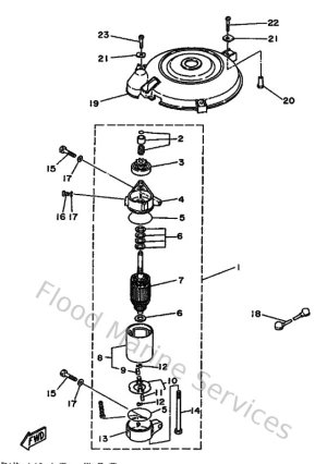
Starter
-
Steering Guide
-
Top Cowling
-
Upper Casing