Diagram Sections: 50DEMTO (1992)
Download as PDF-
Alternate 1
-
Alternate 10
-
Alternate 2
-
Alternate 3
-
Alternate 4
-
Alternate 5
-
Alternate 6
-
Alternate 7
-
Alternate 8
-
Alternate 9
-
Bottom Cowling
-
Bracket
-
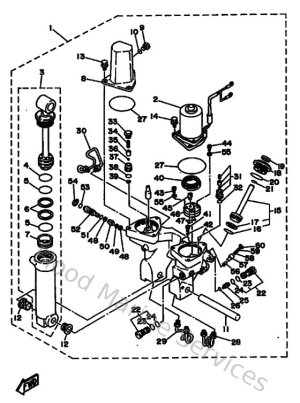
Carburetor
-
Control
-
Crankshaft & Piston
-
Cylinder & Crankcase
-
Electrical
-
Fuel
-
Fuel 2
-
Intake
-
Lower Casing & Drive 1
-
Lower Casing & Drive 2
-
Magneto
-
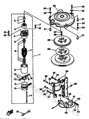
Oil Pump
-
Optional Parts 1
-
Optional Parts 2
-
Optional Parts 3
-
Optional Parts 4
-
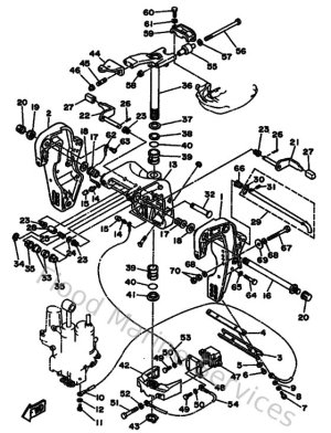
Remote Control
-
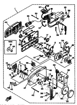
Remote Control Assy 1
-
Remote Control Assy 2
-
Repair Kit 1
-
Repair Kit 2
-
Starter
-
Steering Guide Attachment 1
-
Steering Guide Attachment 2
-
Top Cowling
-
Upper Casing