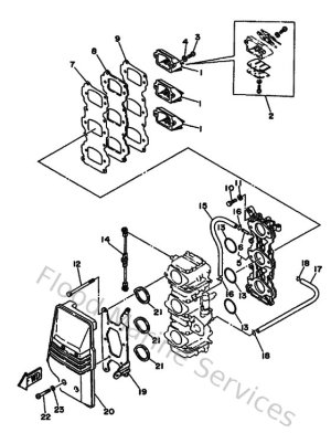
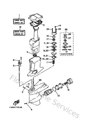
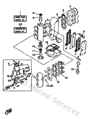
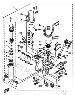
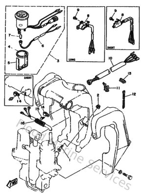
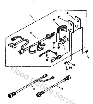
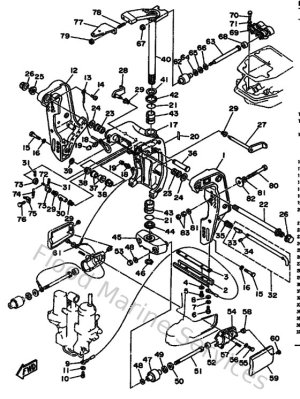
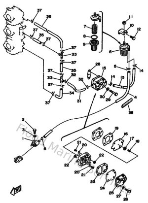
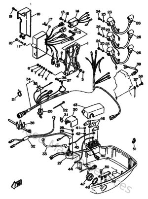
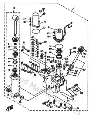
Diagram Sections: 50GETO (1993)

Download as PDF