New Search
Parts
New Outboards
Diagram Sections: 50GETO (1994)
Download as PDF
Bottom Cowling
Bracket 1
Bracket 2
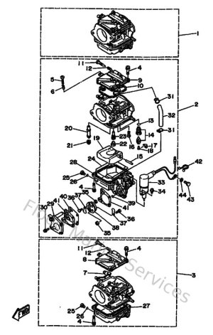
Carburetor
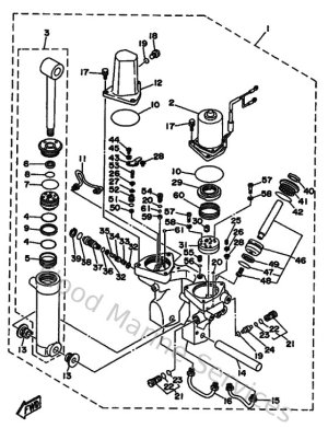
Control
Crankshaft & Piston
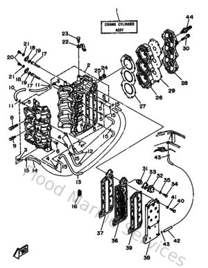
Cylinder & Crankcase
Demarreur Electrique
Fuel 1
Generatrice
Incliner Manuel
Intake
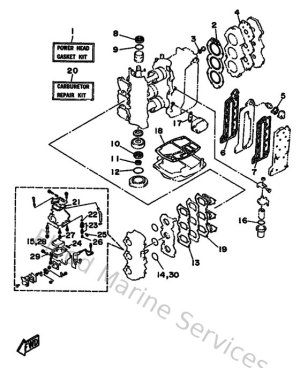
Kits De Reparation 1
Kits De Reparation 2
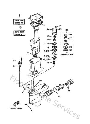
Lower Casing & Drive
Oil Pump
Partie Electrique 1
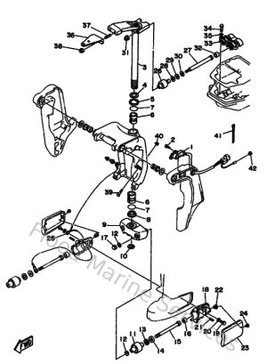
Power Trim & Tilt Assy
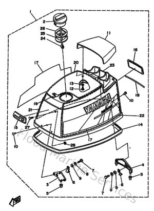
Top Cowling
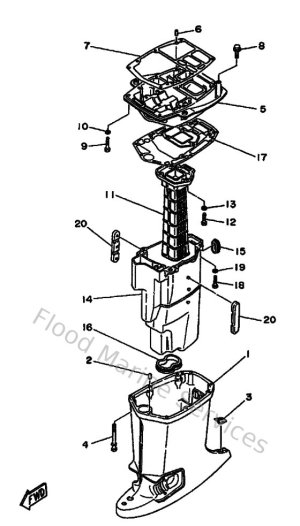
Upper Casing