New Search
Parts
New Outboards
Diagram Sections: 50GETO (1997)
Download as PDF
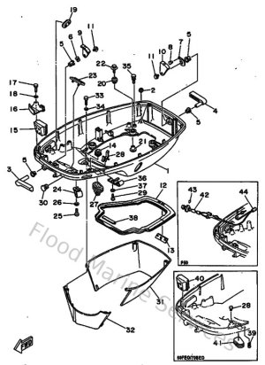
Bottom Cowling
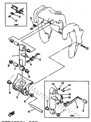
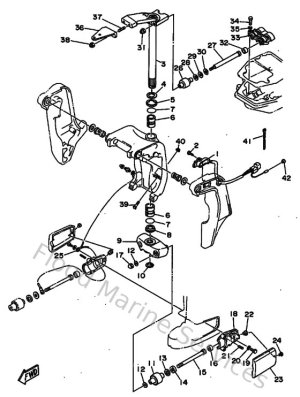
Bracket 1
Bracket 2
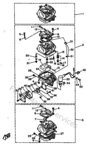
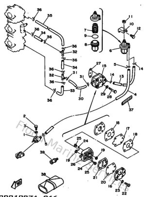
Carburetor
Control
Crankshaft & Piston
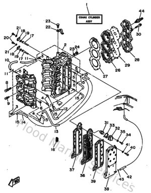
Cylinder & Crankcase
Demarreur Electrique
Fuel 1
Generatrice
Incliner Manuel
Intake
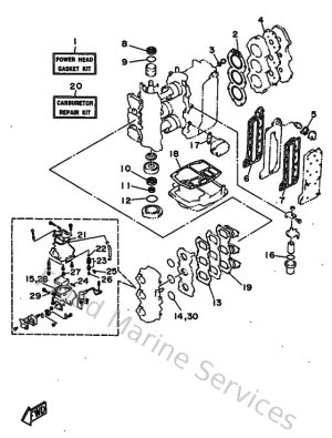
Kits De Reparation 1
Kits De Reparation 2
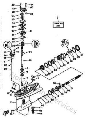
Lower Casing & Drive
Oil Pump
Partie Electrique 1
Power Trim & Tilt Assy
Top Cowling
Upper Casing