Diagram Sections: 50GETO (2000)
Download as PDF-
Bottom Cowling
-
Bracket 1
-
Bracket 4
-
Carburetor
-
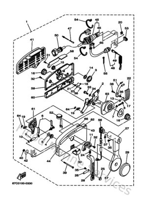
Control
-
Crankshaft & Piston
-
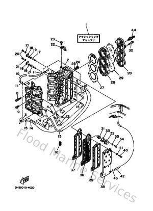
Cylinder & Crankcase
-
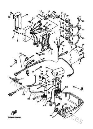
Electrical 1
-
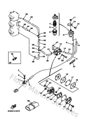
Fuel
-
Fuel Tank
-
Generator
-
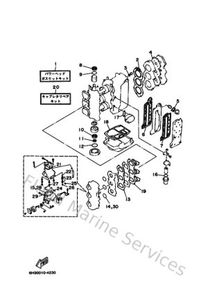
Intake
-
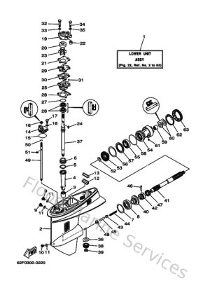
Lower Casing & Drive 3
-
Lower Casing & Drive 4
-
Meter
-
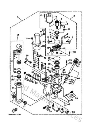
Oil Pump
-
Power Trim & Tilt Assy 2
-
Remote Control Assy 1
-
Remote Control Box
-
Repair Kit 1
-
Repair Kit 2
-
Starting Motor
-
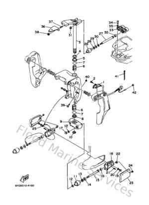
Steering Guide
-
Top Cowling
-
Upper Casing