Diagram Sections: 50HM (1995)
Download as PDF-
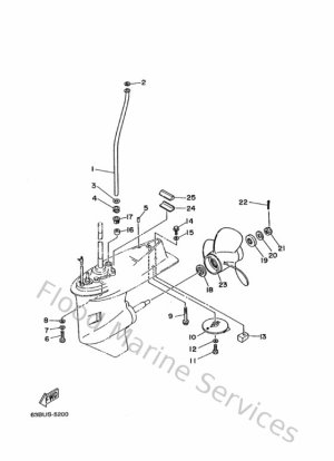
Bottom Cowling
-
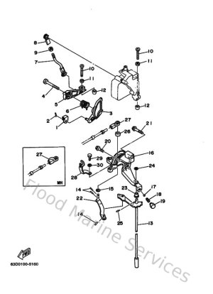
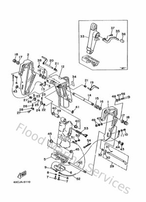
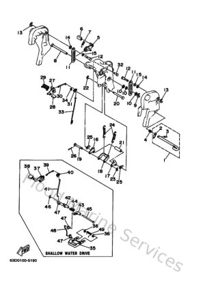
Bracket 1
-
Bracket 2
-
Bracket 3
-
Bracket 4
-
Carburetor
-
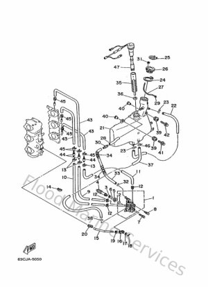
Control
-
Crankshaft & Piston
-
Cylinder & Crankcase
-
Demarreur Electrique
-
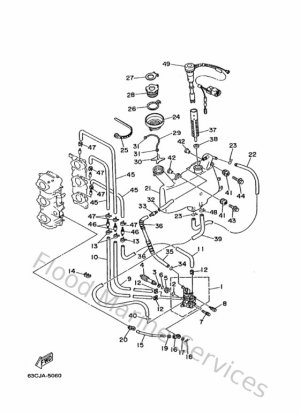
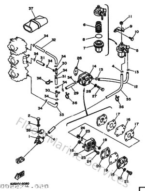
Fuel
-
Generatrice
-
Intake
-
Kits De Reparation 1
-
Kits De Reparation 2
-
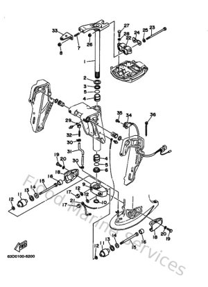
Lower Casing & Drive
-
Oil Pump 1
-
Oil Pump 2
-
Optionnelles 1
-
Optionnelles 2
-
Partie Electrique 1
-
Partie Electrique 2
-
Power Trim & Tilt Assy
-
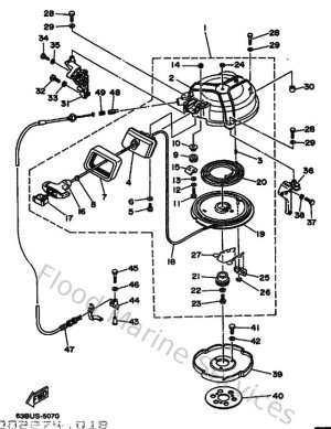
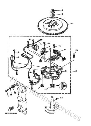
Starter
-
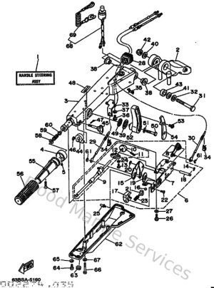
Steering
-
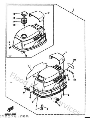
Top Cowling
-
Upper Casing