Diagram Sections: 50HM (1996)
Download as PDF-
Bottom Cowling
-
Bracket 1
-
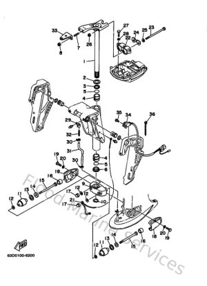
Bracket 2
-
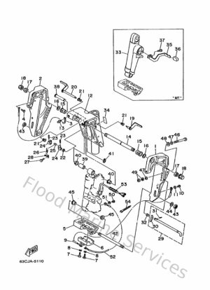
Bracket 3
-
Bracket 4
-
Carburetor
-
Control
-
Crankshaft & Piston
-
Cylinder & Crankcase
-
Demarreur Electrique
-
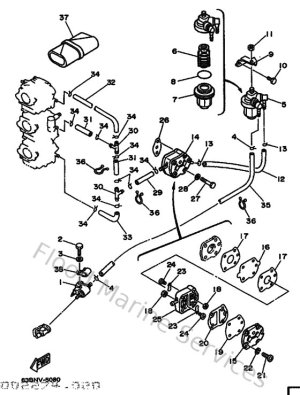
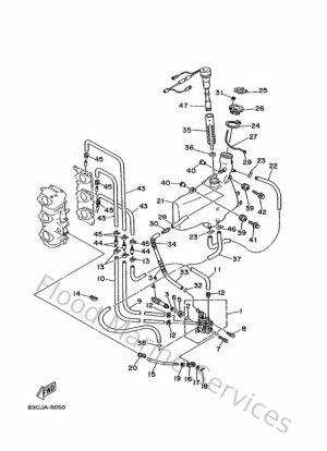
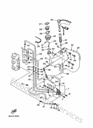
Fuel
-
Generatrice
-
Intake
-
Kits De Reparation 1
-
Kits De Reparation 2
-
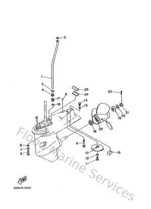
Lower Casing & Drive
-
Oil Pump 1
-
Oil Pump 2
-
Optionnelles 1
-
Optionnelles 2
-
Partie Electrique 1
-
Partie Electrique 2
-
Power Trim & Tilt Assy
-
Starter
-
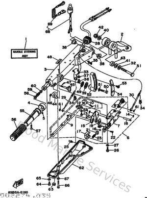
Steering
-
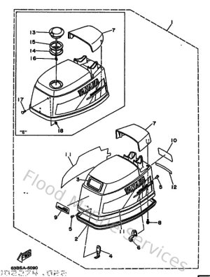
Top Cowling
-
Upper Casing