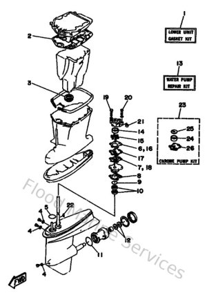
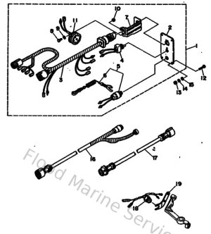
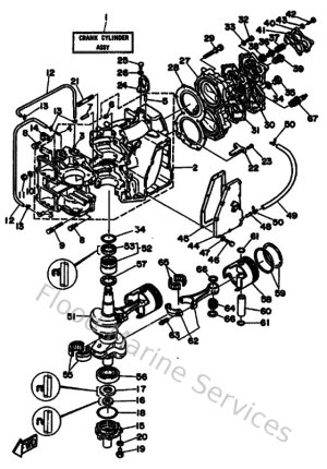
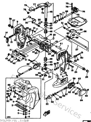
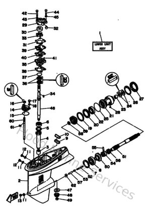
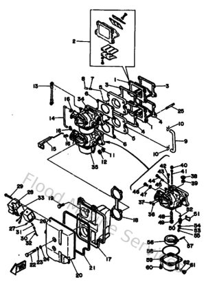
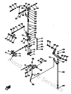
Diagram Sections: 55BM (1992)

Download as PDF