Diagram Sections: 55BM (1996)
Download as PDF-
Bottom Cowling
-
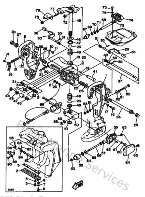
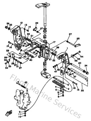
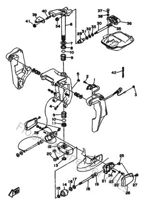
Bracket 1
-
Bracket 2
-
Control
-
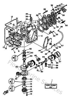
Cylinder & Crankcase
-
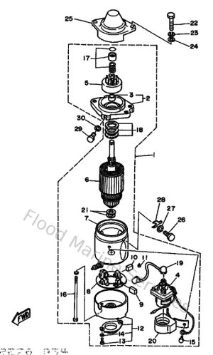
Demarreur Electrique
-
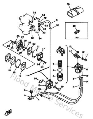
Fuel
-
Generator
-
Intake
-
Kits De Reparation 1
-
Kits De Reparation 2
-
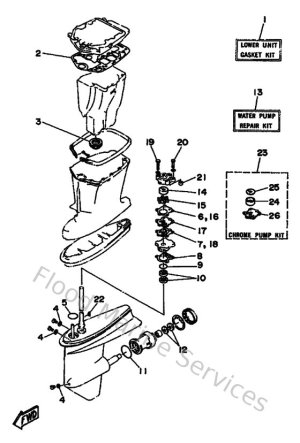
Lower Casing & Drive
-
Optionnelles 1
-
Optionnelles 2
-
Optionnelles 3
-
Optionnelles 4
-
Partie Electrique 1
-
Partie Electrique 2
-
Steering
-
Top Cowling
-
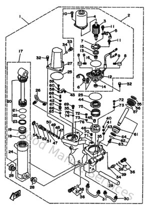
Upper Casing