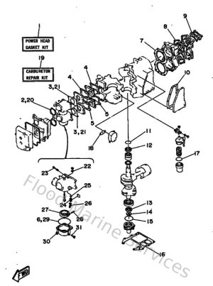
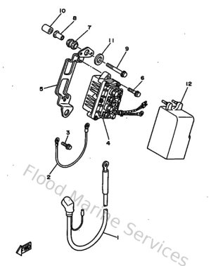
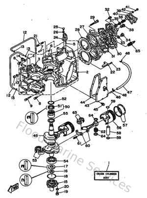
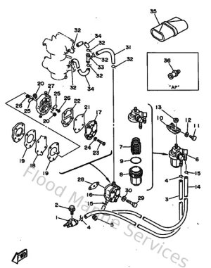
Diagram Sections: 55BM (1997)

Download as PDF