New Search
Parts
New Outboards
Diagram Sections: 5CMH (1986)
Download as PDF
Control
Cowling
Cowling & Fuel
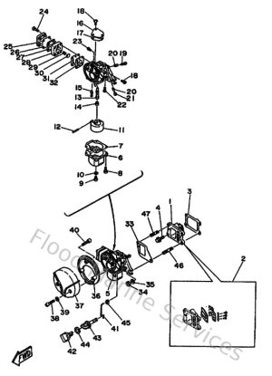
Cylinder & Crankcase
Electric Parts
Fuel
Intake
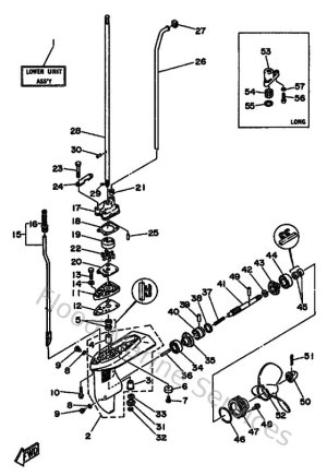
Lower Casing & Drive
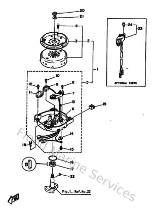
Magneto
Optional Parts
Repair Kit
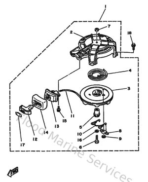
Starter
Upper Casing & Bracket