New Search
Parts
New Outboards
Diagram Sections: 5CMH (1999)
Download as PDF
Bottom Cowling
Controller 1
Cylinder & Crankcase
Electrique
Fuel Tank
Generatrice
Intake
Kit De Reparation
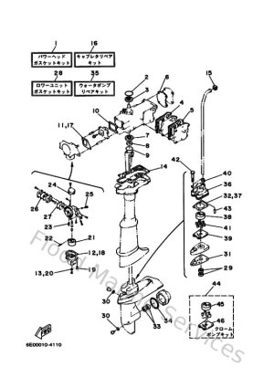
Lower Casing & Drive
Starter
Top Cowling
Upper Casing & Bracket