New Search
Parts
New Outboards
Diagram Sections: 5CMH (2001)
Download as PDF
Bottom Cowling
Control
Cylinder & Crankcase
Electrical 1
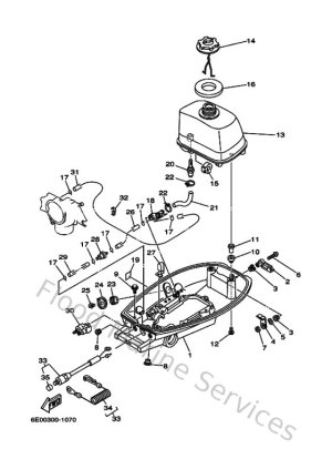
Fuel Tank
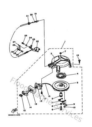
Generator
Intake
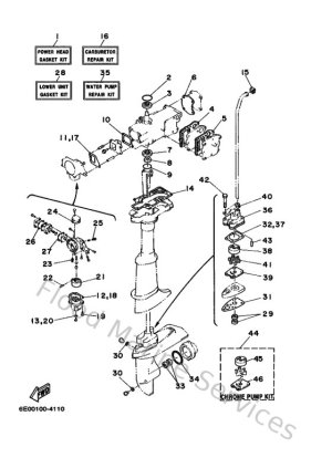
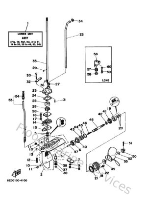
Lower Casing & Drive 1
Repair Kit 1
Starter
Top Cowling
Upper Casing & Bracket