Diagram Sections: 60FETO (1987)
Download as PDF-
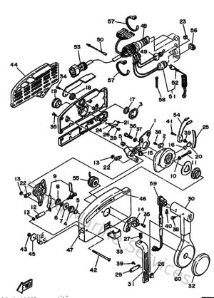
Bottom Cowling
-
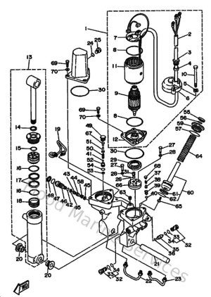
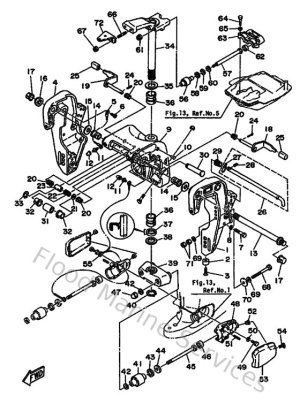
Bracket 1
-
Bracket 2
-
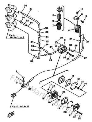
Carburetor
-
Control
-
Crankshaft & Piston
-
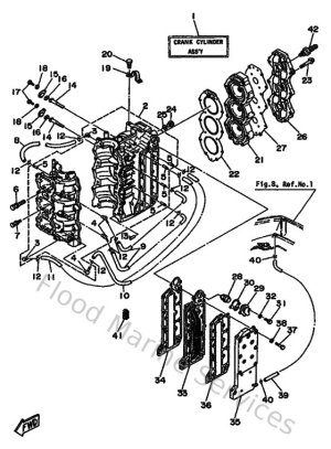
Cylinder & Crankcase
-
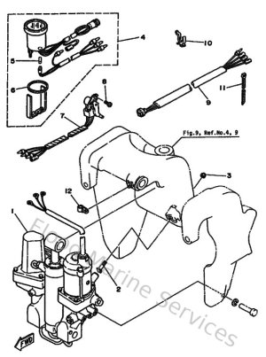
Electric Motor
-
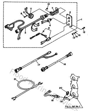
Electric Parts
-
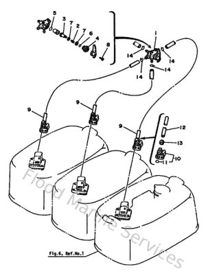
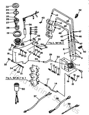
Fuel 1
-
Fuel 2
-
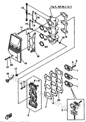
Intake
-
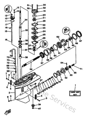
Lower Casing & Drive 1
-
Lower Casing & Drive 2
-
Magneto
-
Oil Pump
-
Optional Parts 1
-
Optional Parts 2
-
Optional Parts 3
-
Optional Parts 4
-
Optional Parts 5
-
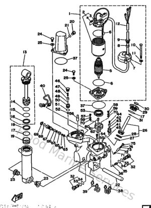
Power Trim & Tilt Assy
-
Power Trim & Tilt Assy 1
-
Power Trim & Tilt Assy 2
-
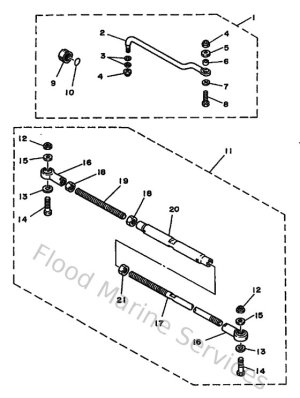
Remote Control
-
Remote Control Assy
-
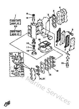
Repair Kit 1
-
Repair Kit 2
-
Steering Guide
-
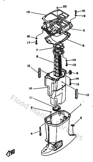
Top Cowling
-
Upper Casing