Diagram Sections: 60FETO (1991)
Download as PDF-
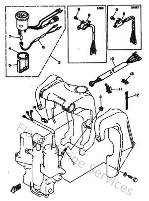
Bottom Cowling
-
Bracket 1
-
Bracket 2
-
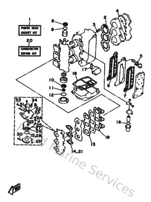
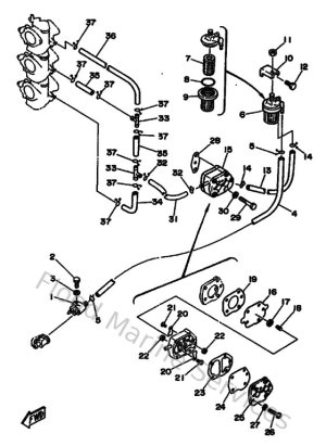
Carburetor
-
Control
-
Crankshaft & Piston
-
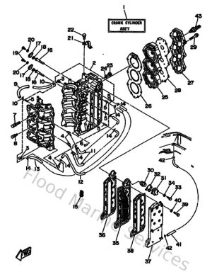
Cylinder & Crankcase
-
Electrical
-
Fuel
-
Fuel 2
-
Intake
-
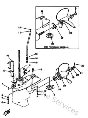
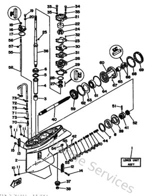
Lower Casing & Drive 1
-
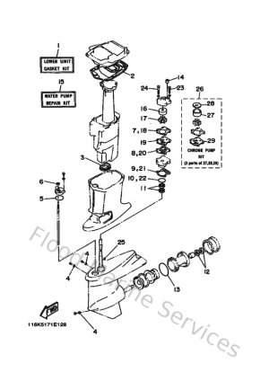
Lower Casing & Drive 2
-
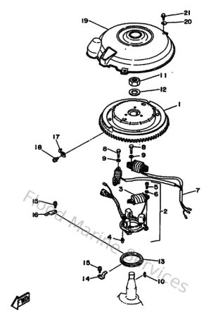
Magneto
-
Manual Tilt
-
Oil Pump
-
Optional Parts 1
-
Optional Parts 2
-
Optional Parts 3
-
Optional Parts 4
-
Optional Parts 5
-
Power Trim & Tilt Assy
-
Power Trim & Tilt Assy 1
-
Power Trim & Tilt Assy 2
-
Remote Control
-
Remote Control Assy
-
Repair Kit 1
-
Repair Kit 2
-
Starting Motor
-
Steering Guide
-
Top Cowling
-
Upper Casing