Diagram Sections: 60FETO (1993)
Download as PDF-
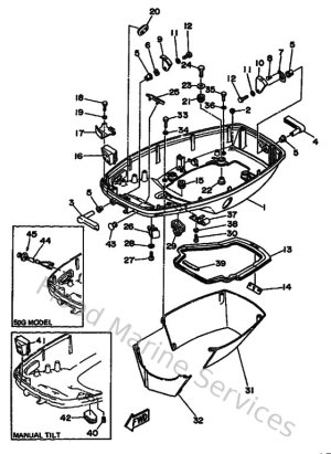
Bottom Cowling
-
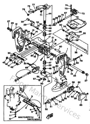
Bracket 1
-
Bracket 2
-
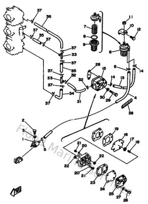
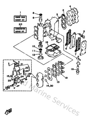
Carburetor
-
Control
-
Crankshaft & Piston
-
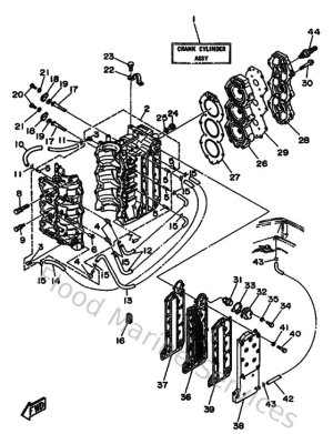
Cylinder & Crankcase
-
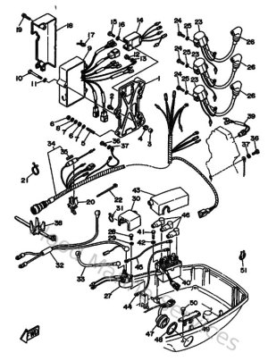
Electrical
-
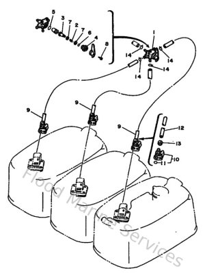
Fuel 1
-
Fuel 2
-
Intake
-
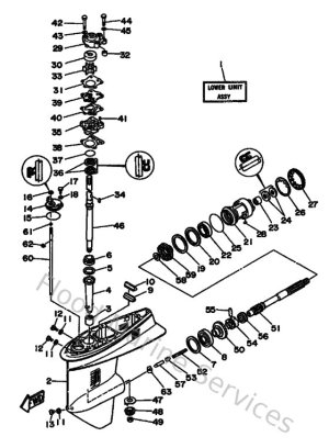
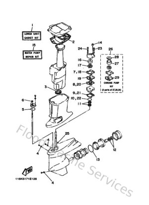
Lower Casing & Drive 1
-
Lower Casing & Drive 2
-
Magneto
-
Manual Tilt
-
Oil Pump
-
Optional Parts 1
-
Optional Parts 2
-
Optional Parts 3
-
Optional Parts 4
-
Optional Parts 5
-
Optional Parts 6
-
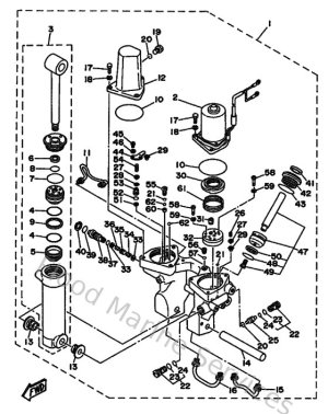
Power Trim & Tilt Assy
-
Power Trim & Tilt Assy 1
-
Power Trim & Tilt Assy 2
-
Remote Control
-
Remote Control Assy
-
Repair Kit 1
-
Repair Kit 2
-
Starting Motor
-
Steering Guide
-
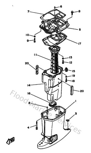
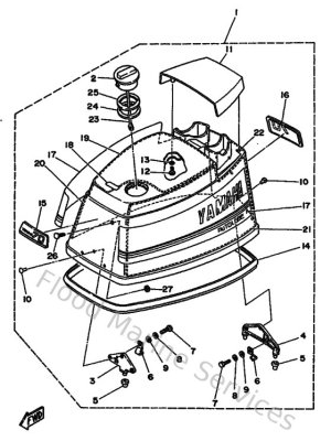
Top Cowling
-
Upper Casing