New Search
Parts
New Outboards
Diagram Sections: 60FETO (1994)
Download as PDF
Bottom Cowling
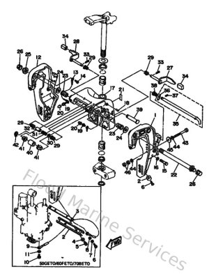
Bracket 1
Bracket 2
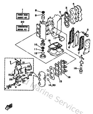
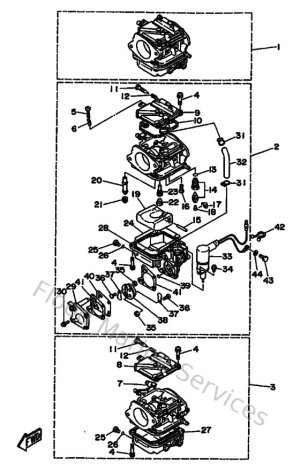
Carburetor
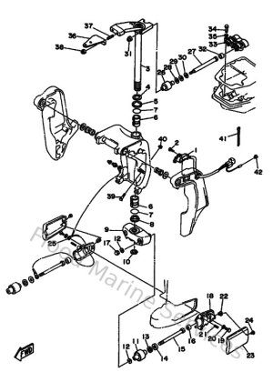
Control
Crankshaft & Piston
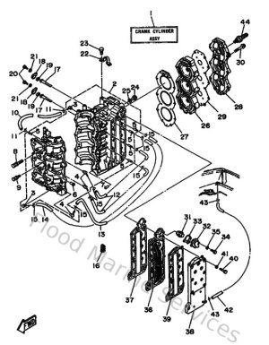
Cylinder & Crankcase
Demarreur Electrique
Fuel 1
Generatrice
Incliner Manuel
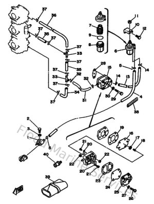
Intake
Kits De Reparation 1
Kits De Reparation 2
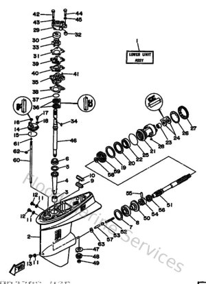
Lower Casing & Drive
Oil Pump
Partie Electrique 1
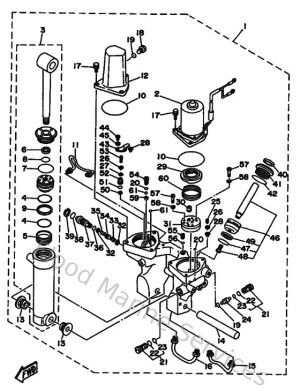
Power Trim & Tilt Assy
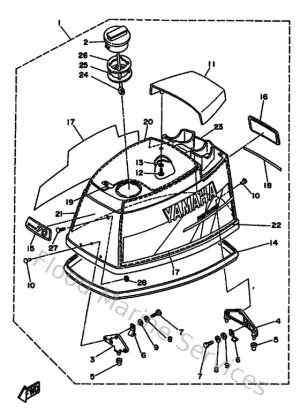
Top Cowling
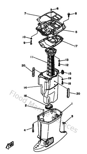
Upper Casing