Diagram Sections: 60FETO (1995)
Download as PDF-
Bottom Cowling
-
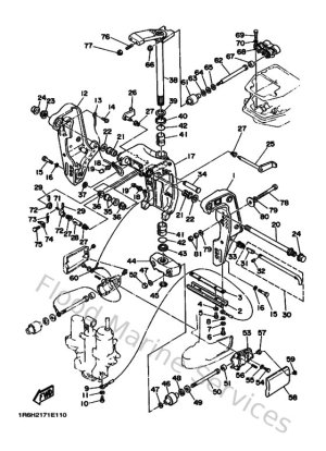
Bracket 1
-
Carburetor
-
Control
-
Crankshaft & Piston
-
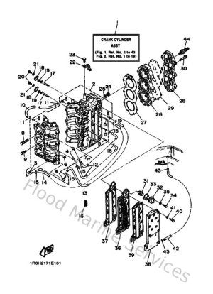
Cylinder & Crankcase
-
Electrical 1
-
Electrical 2
-
Fuel 1
-
Fuel 2
-
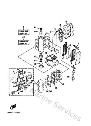
Intake
-
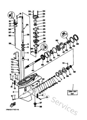
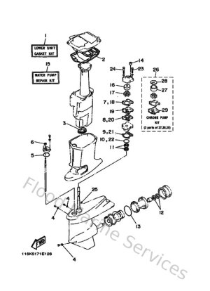
Lower Casing & Drive 1
-
Lower Casing & Drive 2
-
Magneto
-
Oil Pump
-
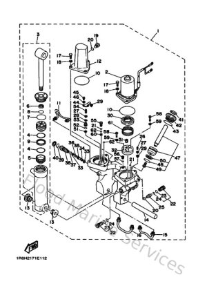
Power Trim & Tilt
-
Power Trim & Tilt Assy 1
-
Repair Kit 1
-
Repair Kit 2
-
Starting Motor
-
Steering
-
Top Cowling
-
Upper Casing