New Search
Parts
New Outboards
Diagram Sections: 60FETO (1997)
Download as PDF
Bottom Cowling
Bracket 1
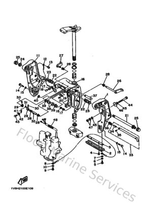
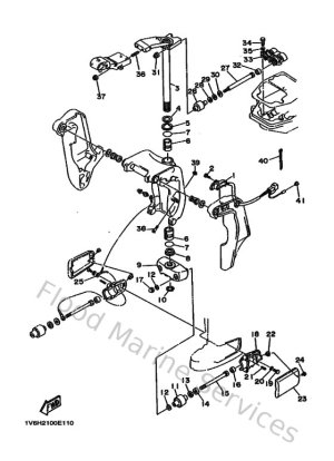
Bracket 2
Carburetor
Control
Crankshaft & Piston
Cylinder & Crankcase
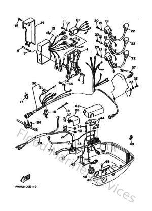
Electrical 1
Electrical 2
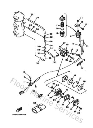
Fuel
Intake
Lower Casing & Drive 1
Lower Casing & Drive 2
Magneto
Oil Pump
Power Trim & Tilt Assy 1
Repair Kit 1
Repair Kit 2
Starting Motor
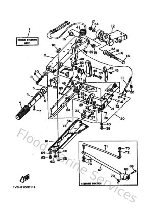
Steering
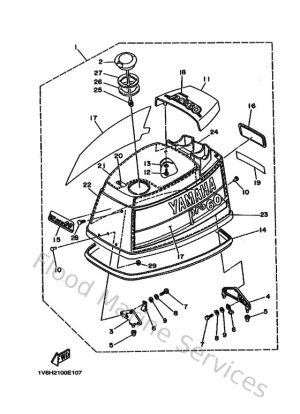
Top Cowling
Upper Casing