Diagram Sections: 60FETO (1999)
Download as PDF-
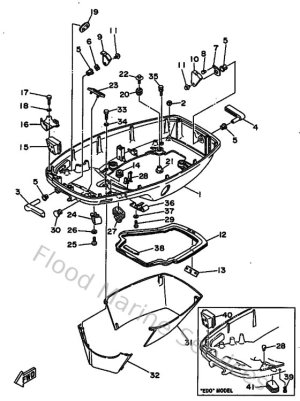
Bottom Cowling
-
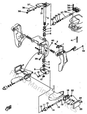
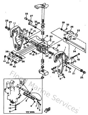
Bracket 1
-
Bracket 2
-
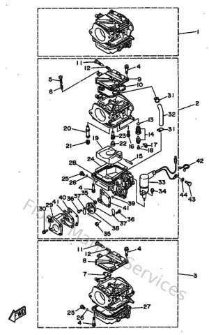
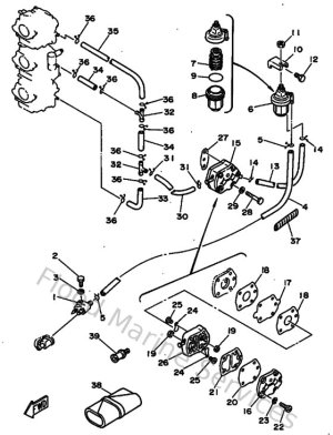
Carburetor
-
Controller 1
-
Crankshaft & Piston
-
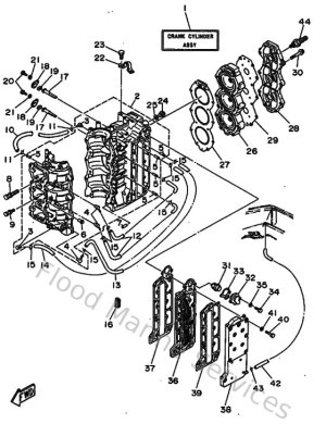
Cylinder & Crankcase
-
Demarreur Electrique
-
Fuel 1
-
Generatrice
-
Intake
-
Kits De Reparation 1
-
Kits De Reparation 2
-
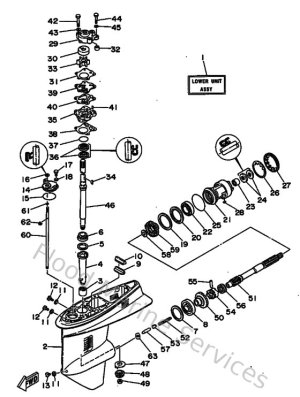
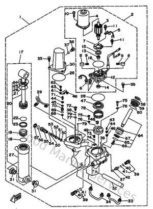
Lower Casing & Drive 1
-
Lower Casing & Drive 2
-
Manual Tilt
-
Oil Pump
-
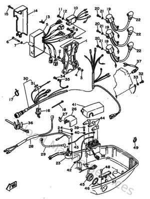
Partie Electrique 1
-
Power Trim & Tilt Assy
-
Power Trim & Tilt Assy 2
-
Top Cowling
-
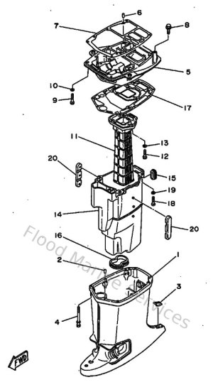
Upper Casing