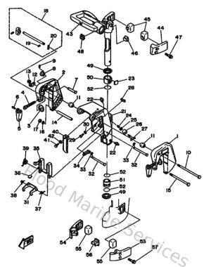
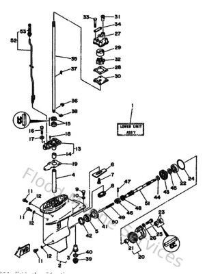
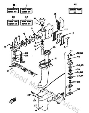
Diagram Sections: 6CEM (1988)

Download as PDF