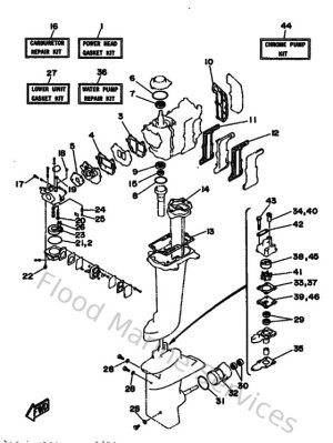
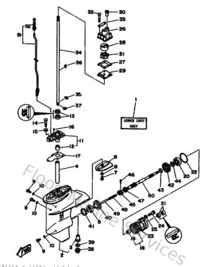
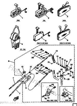
Diagram Sections: 6CEM (1993)

Download as PDF