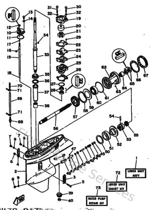
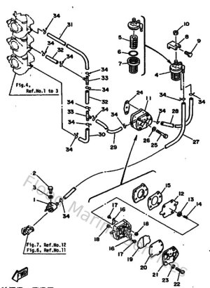
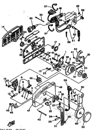
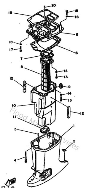
Diagram Sections: 70BETO (1985)

Download as PDF