Diagram Sections: 70BETO (1994)
Download as PDF-
Bottom Cowling
-
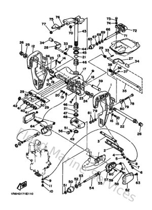
Bracket 1 (SHORT)
-
Bracket 2 (LONG)
-
Carburetor
-
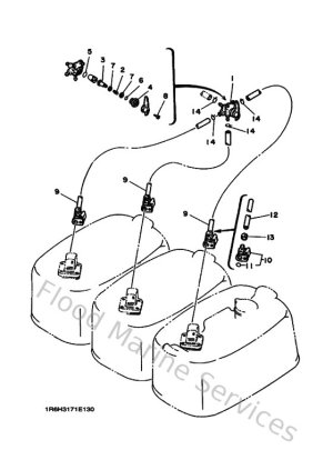
Control
-
Crankshaft & Piston
-
Cylinder & Crankcase
-
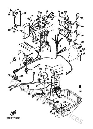
Electrical
-
Fuel 1
-
Fuel 2
-
Intake
-
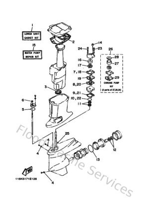
Lower Casing & Drive 1
-
Lower Casing & Drive 2
-
Magneto
-
Oil Pump
-
Optional Parts 1
-
Optional Parts 2
-
Optional Parts 3
-
Optional Parts 4
-
Optional Parts 5
-
Optional Parts 6
-
Power Trim & Tilt
-
Power Trim & Tilt Assy 1
-
Power Trim & Tilt Assy 2
-
Remote Control
-
Remote Control Assy
-
Repair Kit 1
-
Repair Kit 2
-
Starting Motor
-
Steering Guide Attachment
-
Top Cowling
-
Upper Casing