New Search
Parts
New Outboards
Diagram Sections: 70BETO (1995)
Download as PDF
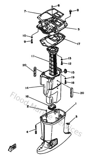
Bottom Cowling
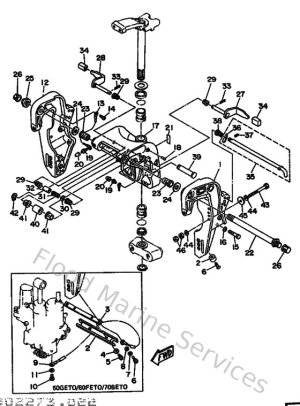
Bracket 1
Bracket 2
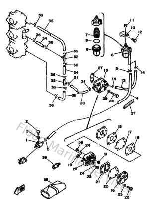
Carburetor
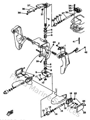
Control
Crankshaft & Piston
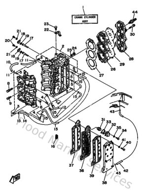
Cylinder & Crankcase
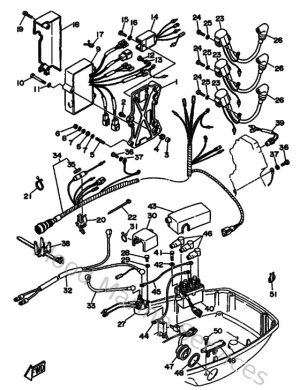
Demarreur Electrique
Fuel 1
Generatrice
Incliner Manuel
Intake
Kits De Reparation 1
Kits De Reparation 2
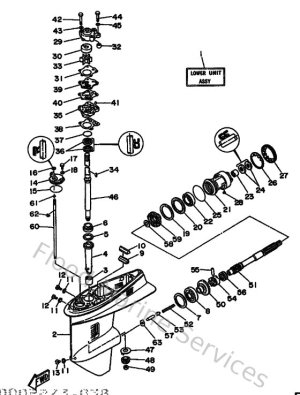
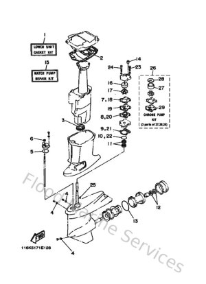
Lower Casing & Drive
Oil Pump
Partie Electrique 1
Power Trim & Tilt Assy
Top Cowling
Upper Casing