Diagram Sections: 75AE (1998)
Download as PDF-
Bottom Cowling
-
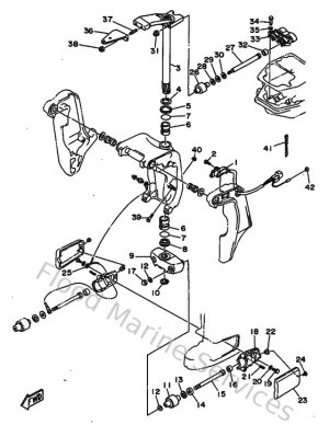
Bracket 1
-
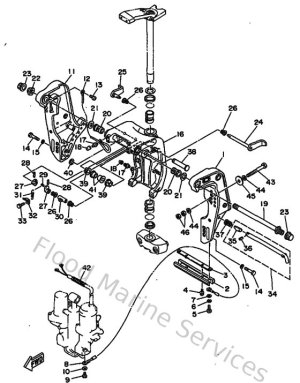
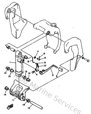
Bracket 2
-
Bracket 3
-
Bracket 4
-
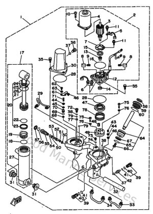
Carburetor
-
Controller 1
-
Crankshaft & Piston
-
Cylinder & Crankcase
-
Demarreur Electrique
-
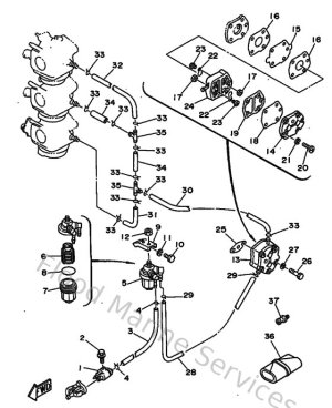
Fuel
-
Generatrice
-
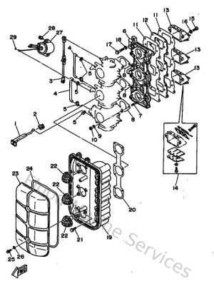
Intake
-
Kits De Reparation 1
-
Kits De Reparation 2
-
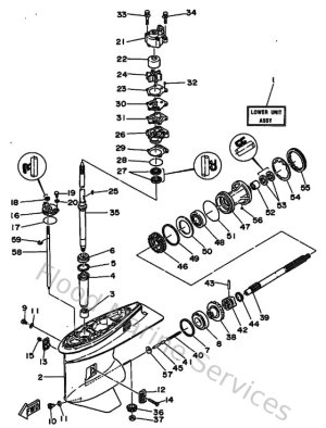
Lower Casing & Drive
-
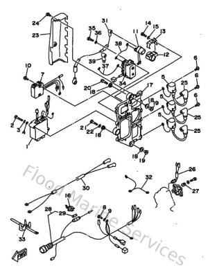
Partie Electrique 1
-
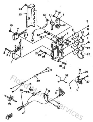
Partie Electrique 2
-
Partie Electrique 3
-
Power Trim & Tilt Assy
-
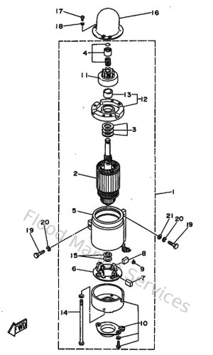
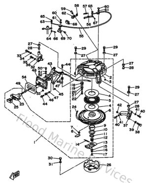
Starter
-
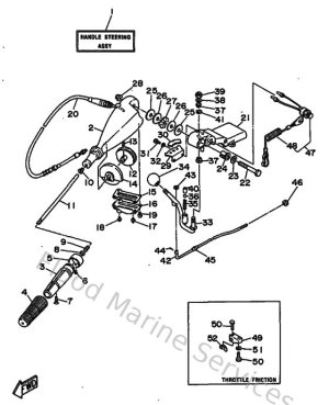
Steering
-
Top Cowling
-
Upper Casing