Diagram Sections: 75AE (2000)
Download as PDF-
Bottom Cowling
-
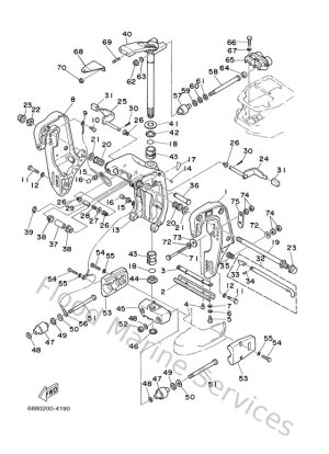
Bracket 2
-
Bracket 3
-
Bracket 4
-
Bracket 5
-
Carburetor
-
Control
-
Crankshaft & Piston
-
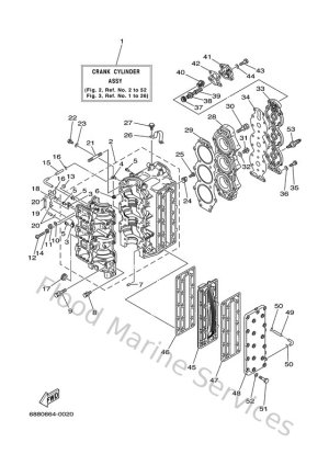
Cylinder. Crankcase
-
Electrical 1
-
Fuel
-
Fuel Tank
-
Fuel Tank 2
-
Generator
-
Intake
-
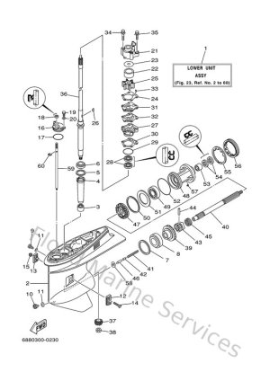
Lower Casing. Drive 1
-
Lower Casing. Drive 2
-
Remote Control Assy 1
-
Remote Control Box
-
Repair Kit 1
-
Repair Kit 2
-
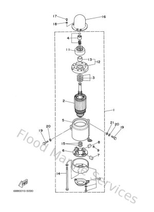
Starting Motor
-
Steering Guide
-
Top Cowling
-
Upper Casing