Diagram Sections: 80AETOL (1992)
Download as PDF-
Bottom Cowling
-
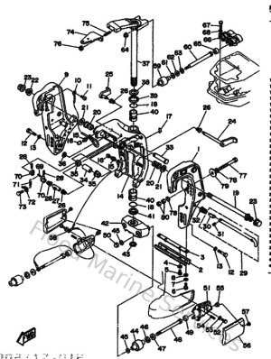
Bracket 1
-
Bracket 2
-
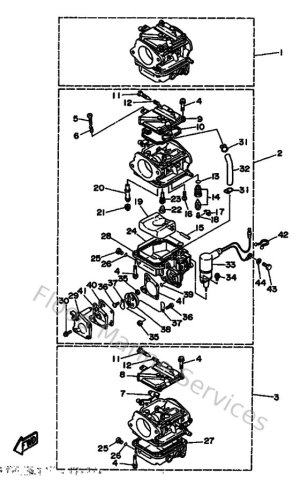
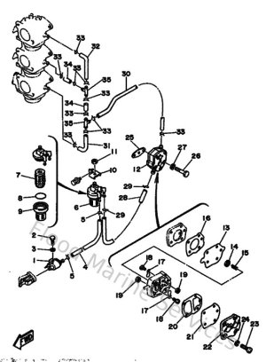
Carburetor
-
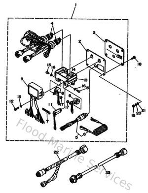
Control
-
Crankshaft & Piston
-
Cylinder & Crankcase
-
Electrical
-
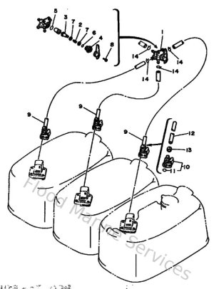
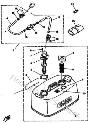
Fuel
-
Fuel 2
-
Intake
-
Lower Casing & Drive 1
-
Lower Casing & Drive 2
-
Magneto
-
Manual Tilt
-
Oil Pump
-
Optional Parts
-
Optional Parts 1
-
Optional Parts 2
-
Optional Parts 3
-
Optional Parts 4
-
Optional Parts 5
-
Optional Parts 6
-
Power Trim & Tilt Assy
-
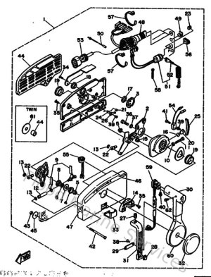
Remote Control
-
Remote Control Assy 1
-
Remote Control Assy 2
-
Remote Control Assy 3
-
Repair Kit 1
-
Repair Kit 2
-
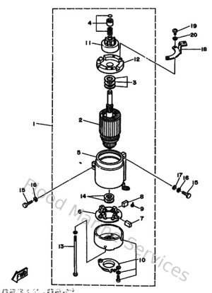
Starting Motor
-
Steering Guide
-
Top Cowling
-
Upper Casing
Warning: file_put_contents(/home/yamahadiagrams/public_html/uploads/pdf_images/2424/13/index.php): Failed to open stream: No such file or directory in /home/yamahadiagrams/public_html/engine-sections.php on line 195