Diagram Sections: 85AET (1993)
Download as PDF-
Bottom Cowling
-
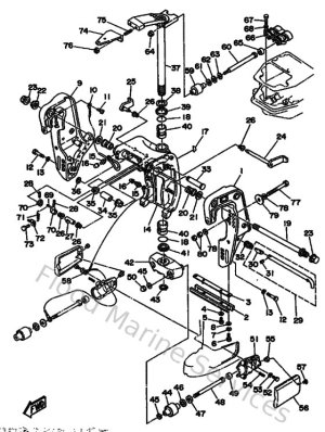
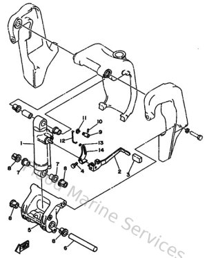
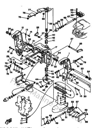
Bracket 1
-
Bracket 2
-
Bracket 3
-
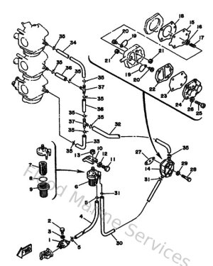
Carburetor
-
Control
-
Crankshaft & Piston
-
Cylinder & Crankcase
-
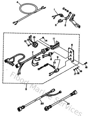
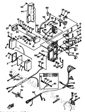
Electrical 1
-
Electrical 2
-
Fuel
-
Fuel 2
-
Intake
-
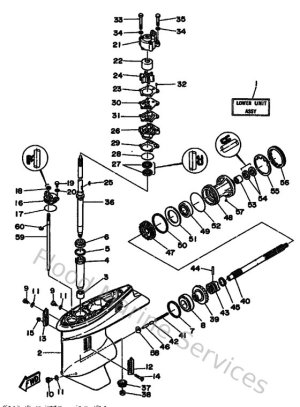
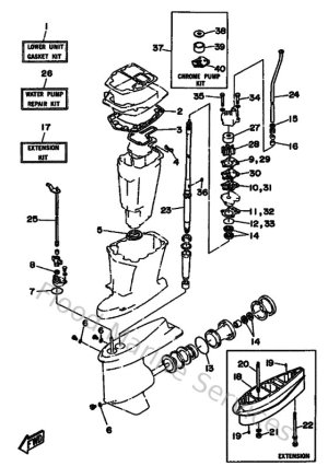
Lower Casing & Drive 1
-
Lower Casing & Drive 2
-
Magneto
-
Optional Parts 1
-
Optional Parts 2
-
Optional Parts 3
-
Optional Parts 4
-
Optional Parts 5
-
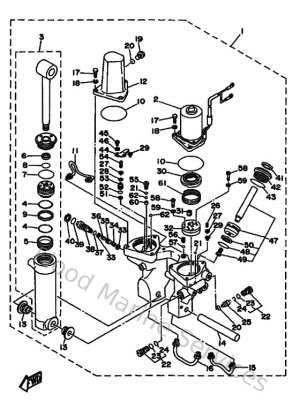
Power Trim & Tilt Assy
-
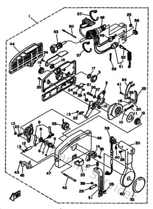
Remote Control
-
Remote Control Assy
-
Repair Kit 1
-
Repair Kit 2
-
Starting Motor
-
Steering Guide Attachment 1
-
Top Cowling
-
Upper Casing