Diagram Sections: 85AET (1997)
Download as PDF-
Bottom Cowling
-
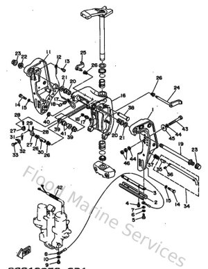
Bracket 1
-
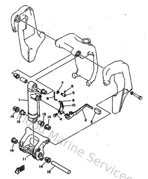
Bracket 2
-
Bracket 3
-
Bracket 4
-
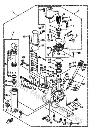
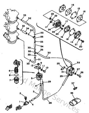
Carburetor
-
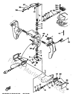
Control
-
Crankshaft & Piston
-
Cylinder & Crankcase
-
Demarreur Electrique
-
Fuel
-
Generatrice
-
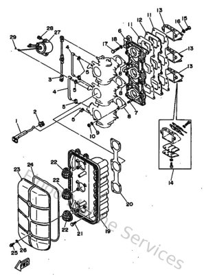
Intake
-
Kits De Reparation 1
-
Kits De Reparation 2
-
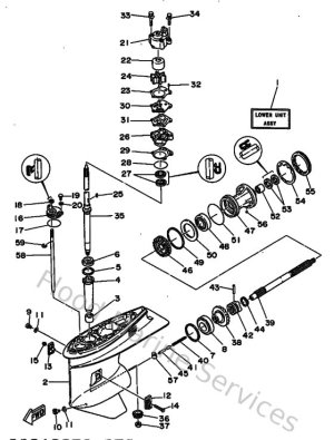
Lower Casing & Drive
-
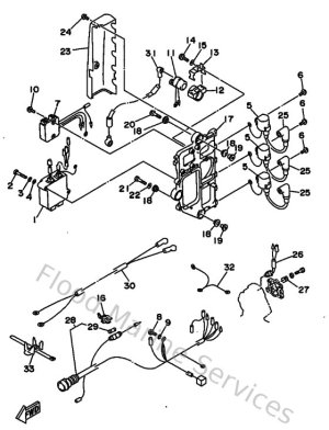
Partie Electrique 1
-
Partie Electrique 2
-
Partie Electrique 3
-
Power Trim & Tilt Assy
-
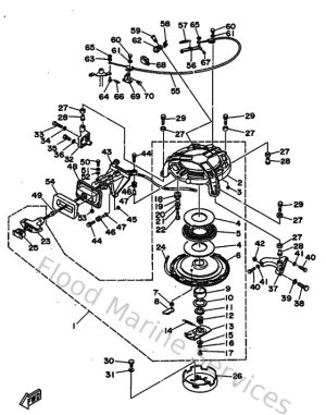
Starter
-
Steering
-
Top Cowling
-
Upper Casing