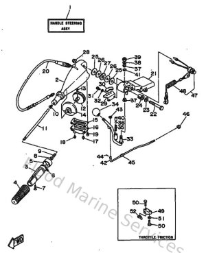
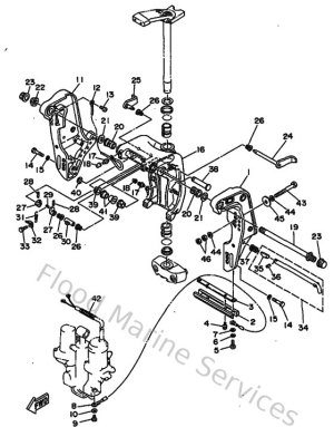
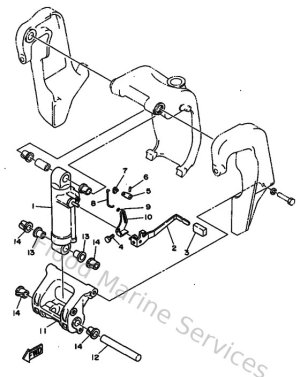
Diagram Sections: 85AET (1998)

Download as PDF