Diagram Sections: 85AET (2000)
Download as PDF-
Bottom Cowling
-
Bracket 2
-
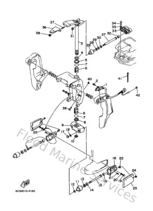
Bracket 3
-
Bracket 4
-
Bracket 5
-
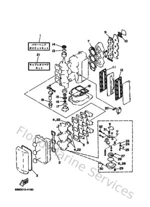
Carburetor
-
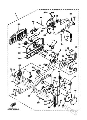
Control
-
Crankshaft & Piston
-
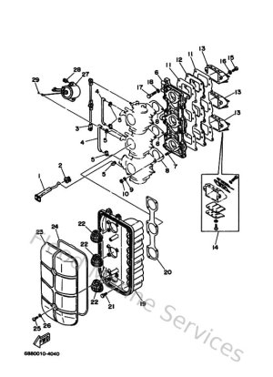
Cylinder & Crankcase
-
Electrical 1
-
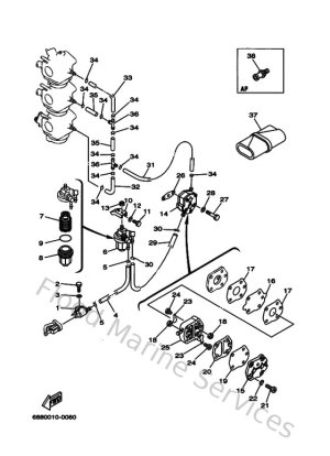
Fuel
-
Fuel Tank
-
Fuel Tank 2
-
Generator
-
Intake
-
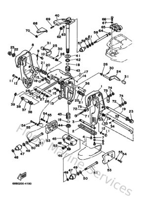
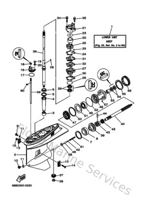
Lower Casing & Drive 1
-
Lower Casing & Drive 2
-
Remote Control Assy 1
-
Remote Control Box
-
Repair Kit 1
-
Repair Kit 2
-
Starting Motor
-
Steering Guide
-
Top Cowling
-
Upper Casing