Diagram Sections: 8CEM (1990)
Download as PDF-
Alternate 1
-
Alternate 2
-
Alternate 3
-
Bottom Cowling
-
Bracket 1
-
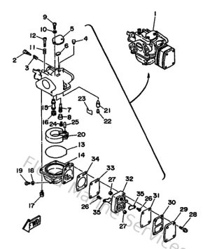
Carburetor
-
Control
-
Crankshaft & Piston
-
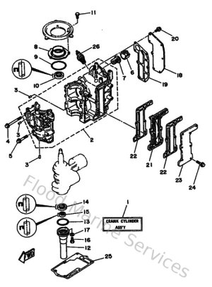
Cylinder & Crankcase
-
Electrical 1
-
Fuel
-
Intake
-
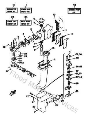
Lower Casing & Drive 1
-
Lower Casing & Drive 2
-
Magneto
-
Optional Parts 1
-
Optional Parts 2
-
Optional Parts 3
-
Remote Control
-
Remote Control Assy 1
-
Repair Kit
-
Starter
-
Steering
-
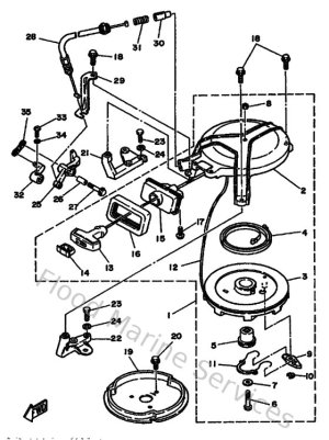
Top Cowling
-
Upper Casing