New Search
Parts
New Outboards
Diagram Sections: 8CEM (1994)
Download as PDF
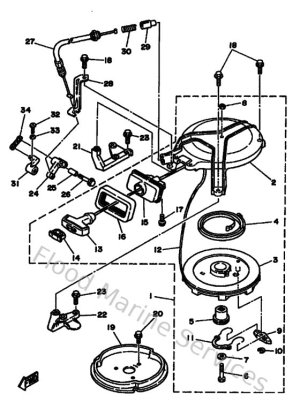
Bottom Cowling
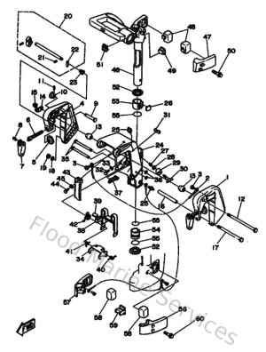
Bracket 1
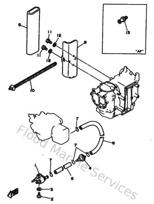
Carburetor
Control
Crankshaft & Piston
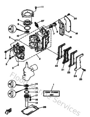
Cylinder & Crankcase
Generator
Intake
Kits De Reparation
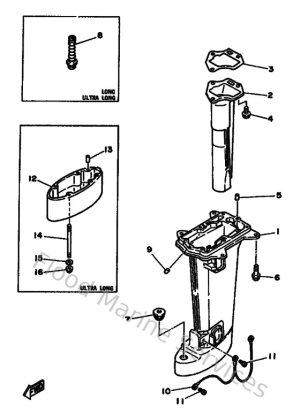
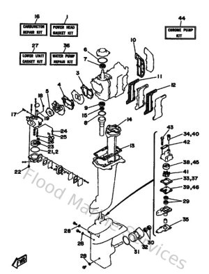
Lower Casing & Drive
Optionnelles 1
Optionnelles 2
Optionnelles 3
Partie Electrique 1
St& & Footrest
Starter
Steering
Top Cowling
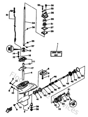
Upper Casing