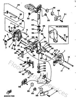
Diagram Sections: 8CMH (1998)

Download as PDF