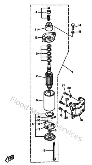
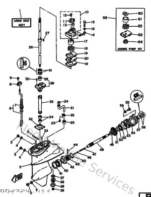
Diagram Sections: 9.9DMH (1986)

Download as PDF