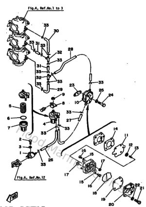
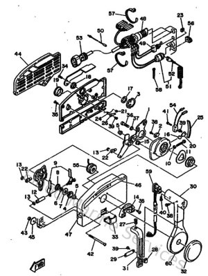
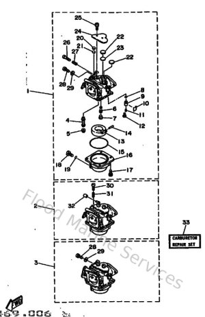
Diagram Sections: 90AETOL (1985)

Download as PDF