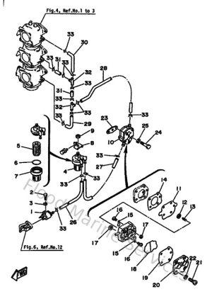
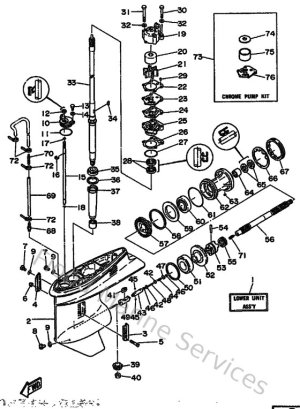
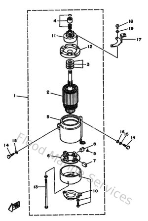
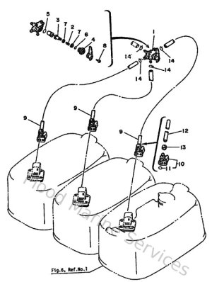
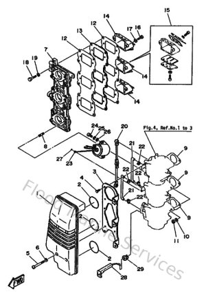
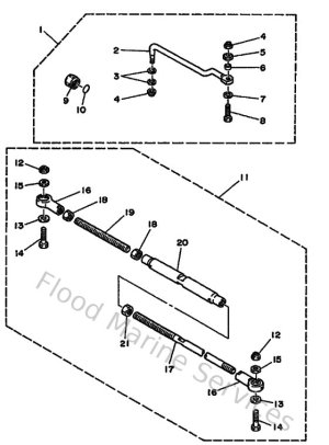
Diagram Sections: 90AETOL (1986)

Download as PDF