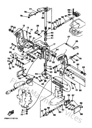
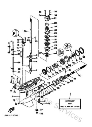
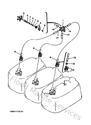
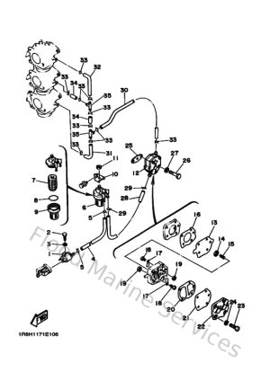
Diagram Sections: 90AETOL (1995)

Download as PDF