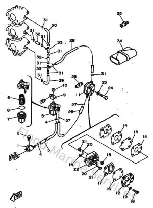
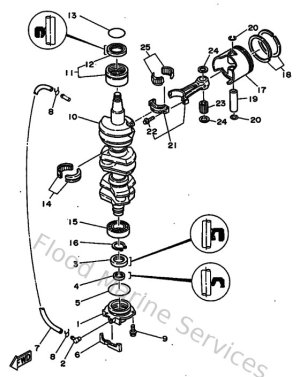
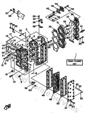
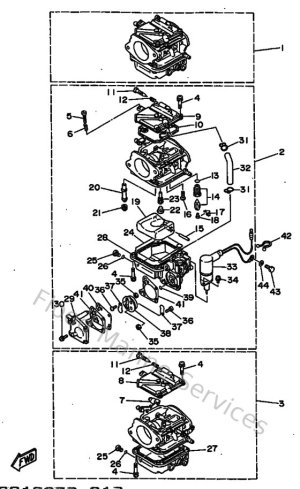
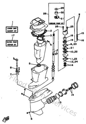
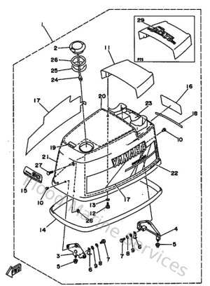
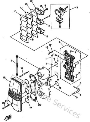
Diagram Sections: 90AETOL (1997)

Download as PDF