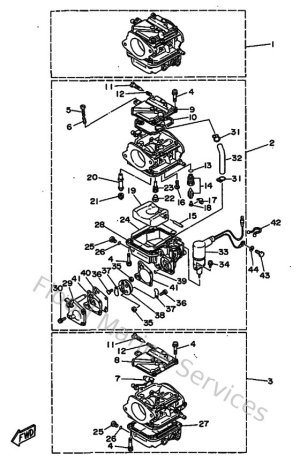
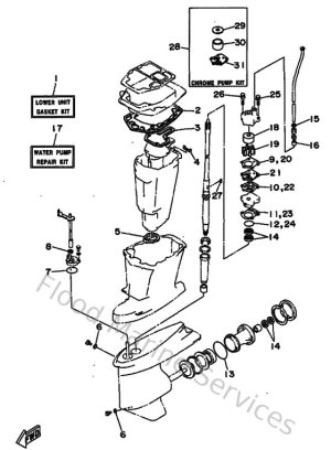
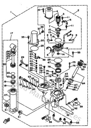
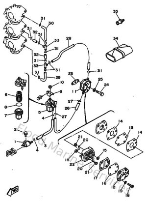
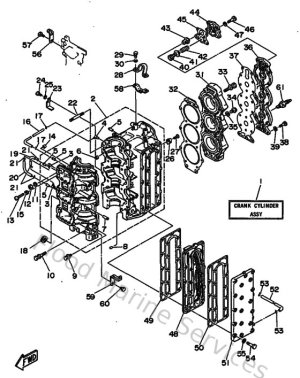
Diagram Sections: 90AETOL (1998)

Download as PDF