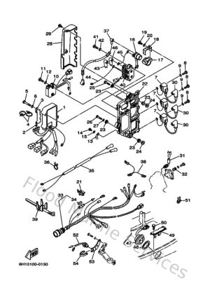
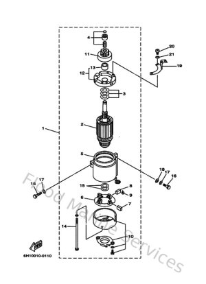
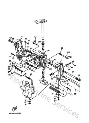
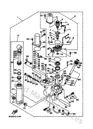
Diagram Sections: 90AETOL (2000)

Download as PDF