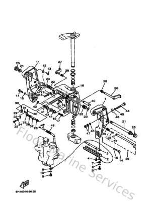
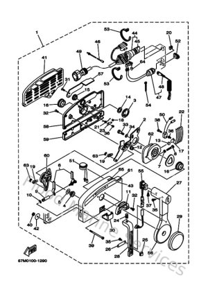
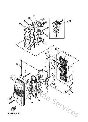
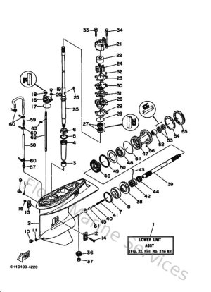
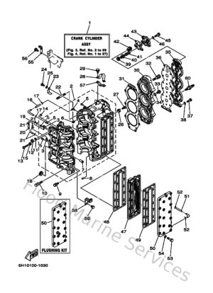
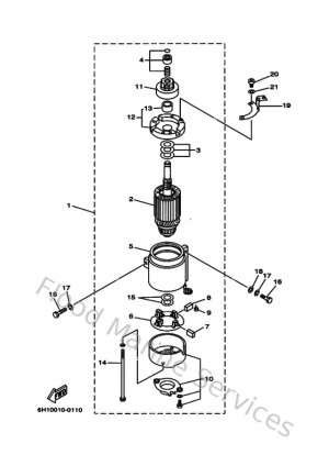
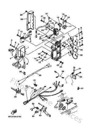
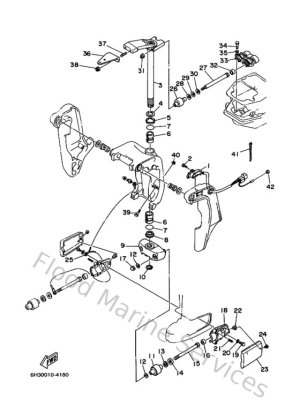
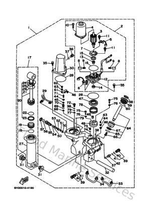
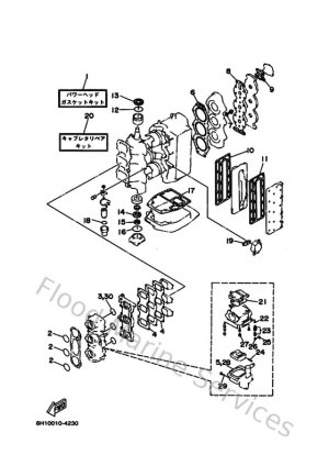
Diagram Sections: 90AETOL (2001)

Download as PDF