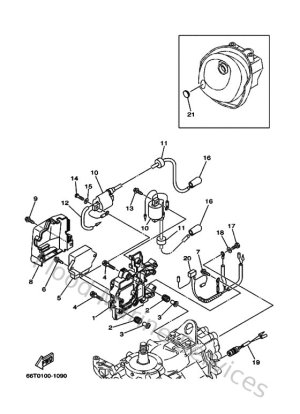
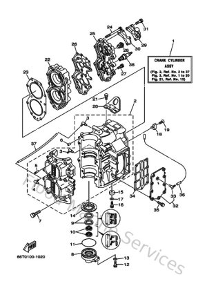
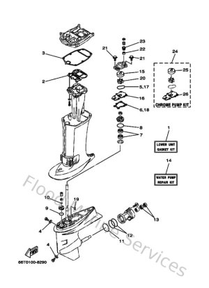
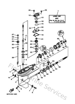
Diagram Sections: E40XMH (2001)

Download as PDF