Diagram Sections: E40XW (2025)
-
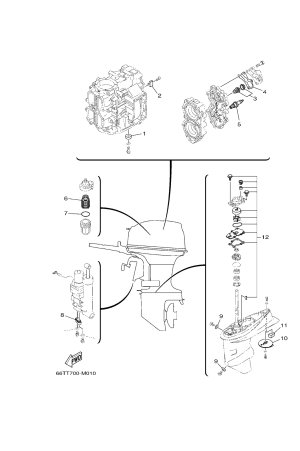
BOTTOM COWLING
-
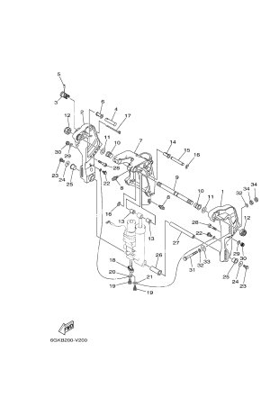
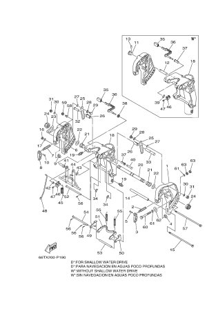
BRACKET 1
-
BRACKET 2
-
BRACKET 3
-
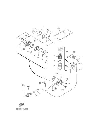
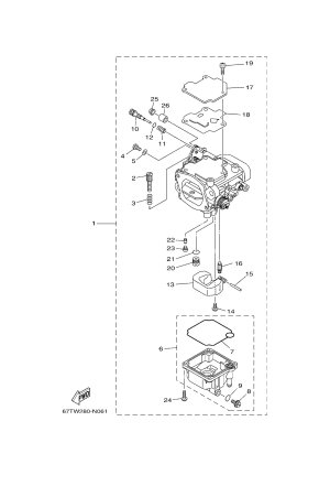
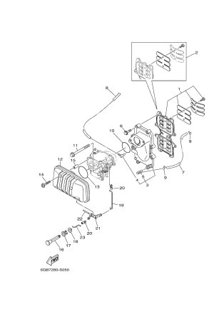
CARBURETOR
-
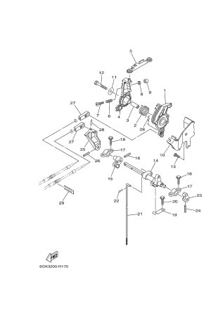
CONTROL
-
CRANKSHAFT & PISTON
-
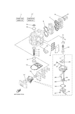
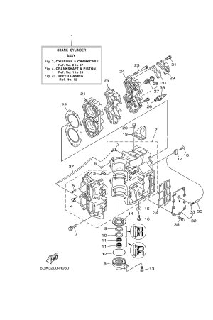
CYLINDER & CRANKCASE
-
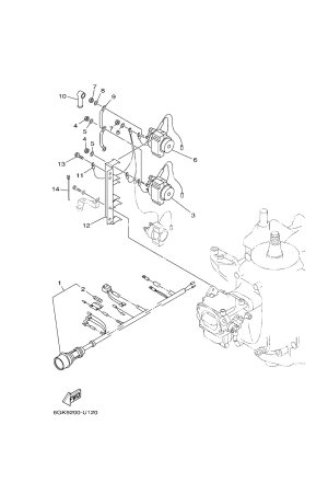
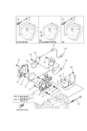
ELECTRICAL 1
-
ELECTRICAL 2
-
ELECTRICAL 3
-
FUEL
-
FUEL TANK
-
GENERATOR
-
INTAKE
-
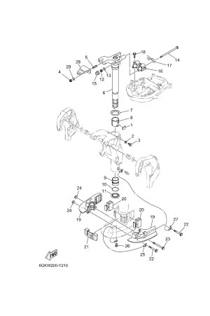
LOWER CASING & DRIVE 1
-
LOWER CASING & DRIVE 2
-
POWER TRIM & TILT ASSY
-
REMO CON ATTACHMENT
-
REMOTE CONTROL ASSY 1
-
REMOTE CONTROL ASSY 2
-
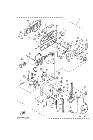
REMOTE CONTROL BOX
-
REPAIR KIT 1
-
REPAIR KIT 2
-
REPAIR KIT 3
-
SCHEDULED SERVICE PARTS
-
STARTER
-
STARTING MOTOR
-
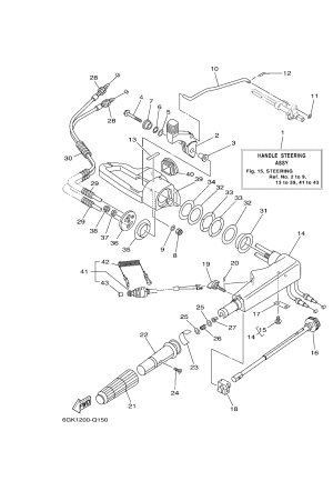
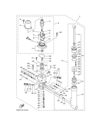
STEERING
-
STEERING FRICTION
-
STEERING GUIDE
-
TOP COWLING
-
UPPER CASING