New Search
Parts
New Outboards
Diagram Sections: E60HMHD (2021)
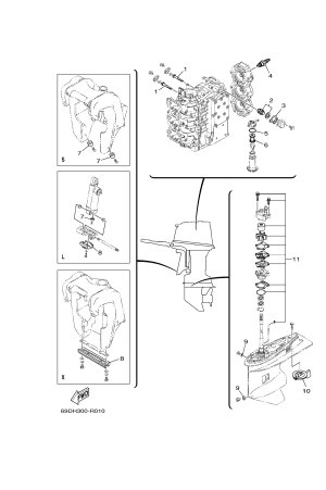
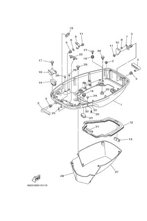
BOTTOM COWLING
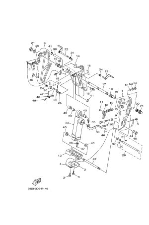
BRACKET 1
BRACKET 2
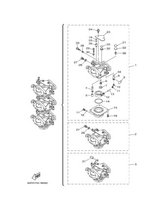
CARBURETOR
CONTROL
CRANKSHAFT & PISTON
CYLINDER & CRANKCASE
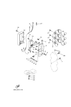
ELECTRICAL
FUEL
FUEL TANK
GENERATOR
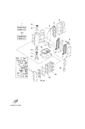
INTAKE
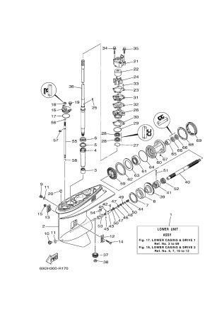
LOWER CASING & DRIVE 1
LOWER CASING & DRIVE 2
REPAIR KIT 1
REPAIR KIT 2
SCHEDULED SERVICE PARTS
STARTER
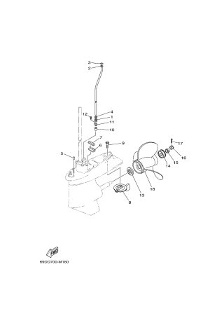
STEERING
TOP COWLING
UPPER CASING