Diagram Sections: E75BE (2000)
Download as PDF-
Bottom Cowling
-
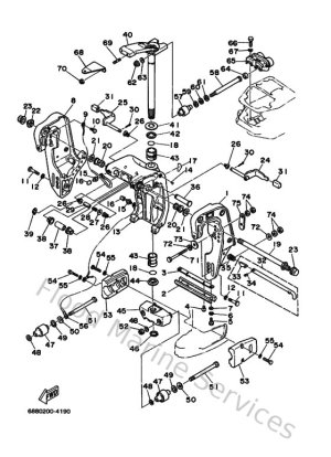
Bracket 2
-
Bracket 3
-
Bracket 4
-
Bracket 5
-
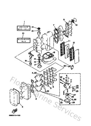
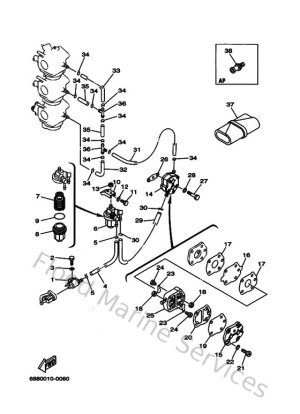
Carburetor
-
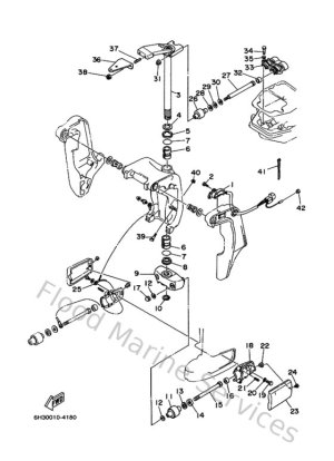
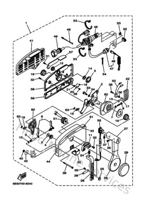
Control
-
Crankshaft & Piston
-
Cylinder & Crankcase
-
Electrical 1
-
Fuel
-
Fuel Tank
-
Fuel Tank 2
-
Generator
-
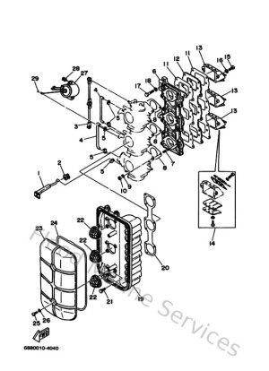
Intake
-
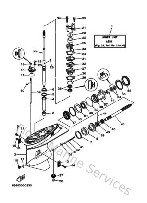
Lower Casing & Drive 1
-
Lower Casing & Drive 2
-
Remote Control Assy 1
-
Remote Control Box
-
Repair Kit 1
-
Repair Kit 2
-
Starting Motor
-
Steering Guide
-
Top Cowling
-
Upper Casing