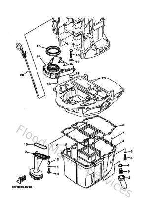
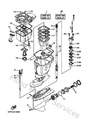
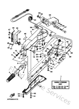
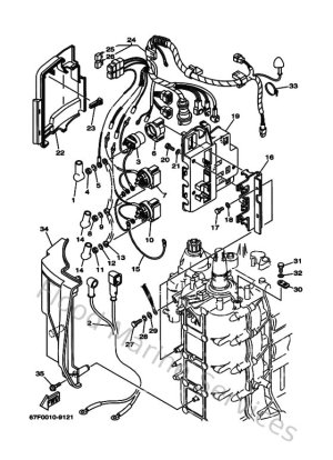
Diagram Sections: F100AET (2000)

Download as PDF