Diagram Sections: F115AET (2001)
Download as PDF-
Bottom Cowling
-
Bracket 1
-
Bracket 2
-
Control
-
Crankshaft & Piston
-
Cylinder & Crankcase
-
Cylinder & Crankcase 2
-
Electrical 1
-
Electrical 2
-
Electrical 3
-
Fuel
-
Fuel 2
-
Fuel Injection Nozzle
-
Fuel Injection Pump
-
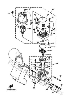
Generator
-
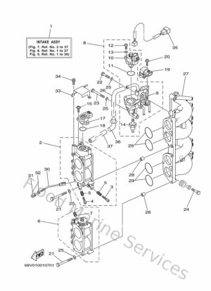
Intake
-
Intake 1
-
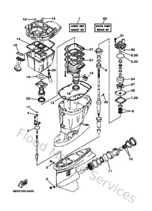
Lower Casing & Drive 1
-
Lower Casing & Drive 2
-
Meter
-
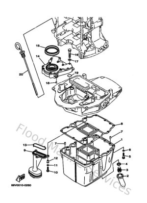
Oil Pan
-
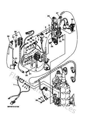
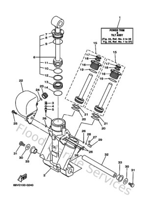
Power Trim & Tilt Assy 1
-
Power Trim & Tilt Assy 2
-
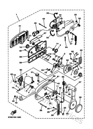
Remote Control Assy 1
-
Remote Control Box
-
Repair Kit 1
-
Repair Kit 2
-
Starting Motor
-
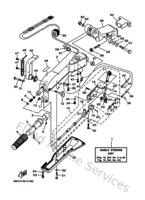
Steering
-
Steering 2
-
Steering Friction
-
Steering Guide Attachment 1
-
Top Cowling
-
Upper Casing
-
Valve